Il sistema a parete combinato è a combinazione dipile di lamiera d'acciaioe pile H o pile tubolari, che potrebbero fornire prestazioni di sezione elevata - modulo di sezione superiore nei progetti. I sistemi di pareti combinate vengono spesso utilizzati nei progetti di costruzione portuale, portuale, navale e portuale dove sono richiesti prodotti a pelo lungo.
La parete combinata in palancole potrebbe essere classificata nelle seguenti categorie:
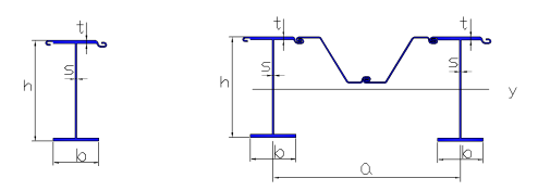
1. Parete combinata HZ: significa una combinazione di pile H (SLHZ880MA, SLHZ880MB, SLHZ880MC, SLHZ1080MA, SLHZ1080MB, SLHZ1080MC, SLHZ1080MD, SLHZ1180MB, SLHZ1180MD, SLHZ1180MD). Le pile Z potrebbero anche essere sostituite da pile di fogli di tipo U e di tipo omegapile di fogli.
T Le pile H avranno un sistema ad incastro per collegare le pile di fogli.

2. Parete combinata OZ: significa una combinazione di pile tubolari (pile SSAW / SAWH) e pile di fogli Z. Le pile Z potrebbero anche essere sostituite da pile di fogli di tipo U e pile di fogli di tipo omega.
I gli interblocchi saranno saldati sulle pile di tubi tubolari in modo che le pile di tubi tubolari possano collegarsi con la Z.pile di fogli.

Shunli Steel Group, come il più grande e leader fabbricante dipile di lamiera d'acciaiopareti miste in Cina, offre ai suoi clienti diverse soluzioni di pareti miste:
un. HZ Combi Wall
Shunli non poteva solo offrire le pile Z ma anche fabbricare pile H con interblocchi. Su richiesta sono disponibili interblocchi laminati a freddo e connettori C9 laminati a caldo.
b. OZ Combi Wall
Dotato di tre linee di produzione di pile tubolari SSAW / SAWH, Shunli potrebbe anche fornire pile tubolari con frizioni laminate a freddo e connettori C9 laminati a caldo.
Per ulteriori informazioni su pile di fogli, pile di tubi tubolari, connettori e pareti combinate, non esitate a contattare Shunli Steel Group.